來源:http://www.ycxhjx.com

我國首個預制混凝土結構
與預制木骨架墻體的混合示范實驗樓
本項目位于研砼治筑常州生產研發基地內,由研砼治筑與加拿大木業共同合作完成,所有木結構構件由加拿大木業提供技術支持。
實驗樓總建筑面積占地171平米,主體結構采用預制混凝土框架結構配以預制木骨架組合墻體(以下簡稱預制節能木墻)作為圍護結構。其中混凝土框架結構的預制構件有:梁、柱、疊合樓板、樓梯,建筑圍護結構(即外墻結構)和內隔墻均采用預制節能木墻。除了梁柱節點,疊合樓板上層,全部采用在工廠內預制完成的建筑構件,預制率高達70%,預制裝配率達85%以上。

技術特點
采用混凝土+木混合結構
我國首次將預制混凝土結構與預制木骨架組合墻體相結合。相比較單一的混凝土PC框架結構建筑形式,用預制混凝土構件作為承重結構,結合預制節能木墻技術來作為建筑的非承重圍護結構。由于木質墻體本身的自重輕,大大減少了建筑受到地震力的影響。而且木材隔熱效果良好,用作外圍護結構可有效降低建筑物的采暖和制冷能耗。這種混合結構施工方式更加便捷迅速,最大程度減少了建筑垃圾的產生。并且由于木材本身獨有的全生命周期負碳特性,讓整棟建筑的碳足跡降到了最低。

輕質保溫木墻充當外維護結構
建筑外立面的保溫及防水一體成型。

預制混凝土獨立基礎
預制構件類型達到100%,包括預制獨立基礎、預制柱、疊合梁、疊合樓板、預制樓梯。

木墻上安裝現澆層樓板邊模
優化傳統的支模方式,節約工期。

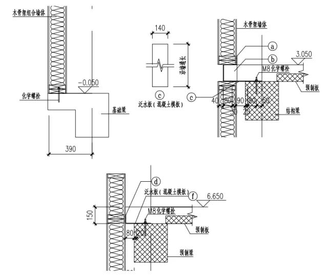
節點設計
木外維護墻與混凝土構件通過化學螺栓連接。

預制構件生產
本項目的混凝土預制構件在研砼治筑常州生產研發基地加工制作,木預制外墻由蘇州昆侖綠建加工制作,木墻當日運至現場進行直接吊裝,減少吊裝次數及堆場布置。

施工現場
關于研砼治筑
上海研砼治筑建筑科技有限公司是一家建筑工業化全產業鏈服務商。從深化設計、PC構件生產、運輸安裝,到聯合建廠、建廠咨詢、工藝設計、設備生產安裝到培訓,研砼治筑全程用專業的技術、豐富的經驗為客戶提供完善的服務,助力中國建筑產業的升級。
